| Product Name | label sensor |
| Housing Material | alumina |
| Function | detection non-transparent labels |
| Package | kraft box |
Item No :
SCH-100NP-M8Order(MOQ) :
5Payment :
T/TProduct Origin :
ChinaSCH-100NP-M8 laser transparent labeling sensor
SCH-100NP-M8 laser transparent labeling sensor price label contact/detector/slot/gap photo electric sensor for label machine
Technical Specification
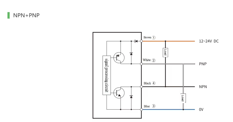
| Model # | NPN+PNP | SCH-100NP-M8 |
| Detected Object | opaque label | |
| Connection | M8,4-core connector | |
| Supply Voltage | 12-24VDC | |
| Label Width | 2mm | |
| Distance between labels | 2mm | |
| Control Output | Open circuit output of transistor collector | |
| Sensitivity | Button adjustment+external control line | |
| Max Output Current | 100mA | |
| Consumption Current | 25mA | |
| Response Time | 50us | |
| Switch Frequency | 10K | |
| Protection Circuit | Reverse polarity protection,output short circuit protection,overload protection | |
| Ambient Temperature | -20~60℃ | |
| IP protection level | IP66 | |
| Size | 80*12*24mm | |
| Housing Material | Aluminum alloy/anodizing | |
Dimension Drawing

Product Wiring Diagram

FAQ
Can I get some samples?
Yes, Sample order is available for quality check and market test. But you have to pay the express cost.
What's delivery time?
It usually takes about 3-5 working days for small order and 10-15 days for big order.
How to solve the quality problems after sales?
Take photos or videos of the problems and send to us.
We will make a satisfied solution for you within 24 hours after we confirm the problems.
Hot Tags :